Домкрат пневмогидравлический ямный двухштоковый (канавный подъемник), 20 т Артикул: N502G
NORDBERG N502G — гидравлический двухштоковый домкрат (канавный подъемник). Применяется на СТО, в автосервисах и шиномонтажных мастерских.
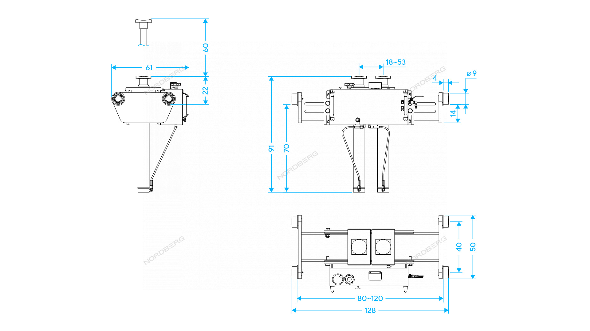
ФУНКЦИОНАЛ
Предназначен для вывешивания передних или задних мостов грузовых автомобилей, автобусов, тракторов, строительной и сельскохозяйственной техники над смотровой канавой или подъёмником.
ПРЕИМУЩЕСТВА
- Грузоподъёмность 20 тонн — подходит для тяжёлых легковых и коммерческих автомобилей;
- Максимальная высота подъёма — 60 см — обеспечивает удобный доступ к узлам снизу;
- Совместимость со смотровыми ямами шириной 800–1200 мм — универсальность установки;
- Минимальная глубина ямы — 800 мм — подходит для большинства стандартных конструкций;
- Рабочее давление воздуха — 8–10 бар — оптимально для надёжной работы подъёмного механизма;
- Расход воздуха — 283 л/мин — эффективная работа с большинством пневмосистем;
- Двухштоковая конструкция — плавный и надёжный подъём без рывков;
- Смотровое окошко для контроля уровня конденсата — удобный визуальный контроль без демонтажа элементов.
УДОБСТВО ИСПОЛЬЗОВАНИЯ
- Низкий профиль — позволяет использовать под автомобилями с малым дорожным просветом;
- Удобная ручка управления — простота в использовании;
- Резиновая накладка на опорной чашке — защита кузова при подъёме;
- Лёгкое перемещение — благодаря колёсам и эргономичной рукоятке;
- Прочная стальная рама — высокая надёжность в условиях постоянной нагрузки.
NORDBERG N502G
— надёжный и удобный гидравлический домкрат для профессионального автосервиса.
Выполняем доставку по предоплате.
Доставка по Нижнему Новгороду осуществляется с помощью сервиса Яндекс.Доставка за счет покупателя. Минимальная стоимость доставки от 500 руб. Стоимость доставки в другие города рассчитывается по тарифам транспортных компаний.
Самовывоз
При оформлении заказа, обязательно укажите ФИО, контактный телефон и адрес базирования. Менеджер напишет адрес ближайшего к вам магазина/склада и поставит товар в резерв.
Транспортная компания
Товар отгружается на следующий день после оплаты. Примерная стоимость доставки груза 0,5х0,5х0,5 весом 20 кг: ПЭК - 400 рублей, Деловые Линии - 505 рублей.
Доставка по России любыми транспортными компаниями, оформление после 100% оплаты товара.
Доставка груза до терминала ТК Деловые Линии, ПЭК - бесплатно. До других ТК - платно, стоимость зависит от удаленности склада и терминала транспортной компании.
ВАЖНО! Перед оплатой свяжитесь с менеджером или дождитесь звонка, для подтверждения наличия.
Безналичный расчет
Отправьте нам реквизиты вашей организации.
Наличными или перевод с карты на карту
Наличными оплатить можно в офисе продаж.
Перевод с карты на карту только для клиентов Сбербанка (обязательно в примечании укажите номер заказа).

